Nguyên lý hệ thống lạnh công nghiệp Máy làm đá Fushima

Hệ thống làm lạnh không còn là xa lạ khi đây là hệ thống phù hợp để làm mát ở các không gian rộng lớn. Đặc biệt, hệ thống làm lạnh còn được sử dụng phổ biến ở các thiết bị công nghiệp. Bài viết này sẽ tìm hiểu về nguyên lý hoạt động của hệ thống làm lạnh công nghiệp.

1. Hệ thống lạnh công nghiệp là gì?

Sơ đồ nguyên lý chung của hệ thống làm lạnh tại các thiết bị công nghiệp có 7 bộ phận cấu thành, cụ thể: máy nén lạnh, bình ngưng, dàn lạnh, bình tách lỏng, tháp giải nhiệt và kho lạnh

hệ thống lạnh công nghiệp máy làm đá

Sơ đồ nguyên lý chung của hệ thống làm lạnh bằng nước

Về cấu tạo chung, hệ thống làm lạnh công nghiệp thường được chia làm hai loại, đó là làm lạnh bằng gió ( dàn ngưng) và làm lạnh bằng nước ( bình ngưng).

Hiện nay làm lạnh bằng nước, hay còn gọi là bình ngưng phổ biến hơn, đặc biệt là trong hệ thống các kho quản bởi hiệu quả mà phương pháp này mang lại. Trong khi đó phương pháp làm lạnh bằng gió ít hiệu quả hơn vào những ngày hè nóng, nên thường được ít sử dụng hơn.

Sự phổ biến trong sử dụng của hệ thống bình ngưng không chỉ ở vai trò làm lạnh, mà bình ngưng còn kiêm luôn chứng năng chứa bình cao áp. Đặc biệt, sử dụng bình ngưng có hệ thống đơn giản, gọn gàng và cắt giảm được chi phí. 

2. Nguyên lý hệ thống của máy lạnh

Hệ thống lạnh công nghiệp của máy lạnh hoạt động với mục đích tạo ra môi trường có nhiệt độ thấp. Trong thực tế có rất nhiều kỹ thuật làm lạnh khác nhau, nhưng có hai kỹ thuật phổ biến, được sử dụng rộng rãi hiện nay là phương pháp giảm áp suất và phương pháp chuyển pha.

  • Phương pháp giảm áp suất, tức là khi áp suất được hạ, khí sẽ lạnh dần. Đây là phương pháp được thực hiện khi dùng van hay máy giãn nở. Cụ thể: máy giãn nở hoạt động theo phương thức dùng công để bù năng lượng; van hoạt động bằng việc giảm áp suất đột ngột của dòng lỏng hay khí bằng quá trình tiết lưu mà không sinh thêm công.

hệ thống lạnh công nghiệp máy làm đá

Hệ thống lạnh công nghiệp máy lạnh

  • Phương pháp chuyển pha, đây là phương pháp chuyển pha từ pha này sang pha khác, trong quá trình chuyển pha, các vật chất sẽ thu được một nhiệt lượng nhất định, đây gọi là hiện tượng chuyển pha. Với hiệu ứng này có thể chế tạo ra máy lạnh hơn, bằng cách cho ga lỏng hóa hơi trong dàn lạnh để hút nhiệt từ môi trường tiếp xúc.

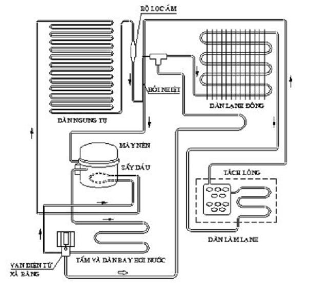
3. Nguyên lý hệ thống lạnh của máy làm đá

Dàn lạnh công nghiệp của máy làm đá được dùng để cung cấp khí lạnh để làm lành các khoang đông chứa đá, máy làm đá. Cụ thể, dưới áp suất thấp, môi chất sẽ được hút về máy nén và nén thành nhiệt độ cùng áp suất cao. Sau đó, hơi tiếp tục đi vào bình tách dầu để tách bụi dâu khỏi môi chất. Tiếp đó, hệ thống làm lạnh công nghiệp sẽ quay về bình ngưng để trao đổi chất và thải nhiệt ra ngoài, khi hạ nhiệt độ và áp suất sẽ thành dạng lỏng.

hệ thống lạnh công nghiệp máy làm đá

Hệ thống lạnh của máy làm đá

Môi chất ở dạng lỏng của quá trình trên sẽ đi qua thiết bị và hạ nhiệt độ rồi tới bình chứa áp suất cao. Lúc này, dòng môi chất đi qua hệ thống tiết lưu được giảm áp suất thành khí bay hơi. Quá trình bay hơi nhận nhiệt lượng từ nước đá và bị nén hút trở lại. Vòng tuần này sẽ được diễn ra lặp đi lặp lại cho đến khi ngắt điện.

Trên đây chúng ta đã tìm hiểu về nguyên lý hoạt động của hệ thống làm lạnh công nghiệp, nguyên lý của hệ thống máy lạnh và hệ thống máy làm đá, để bạn hiểu được nguyên lý và ứng dụng hệ thống làm lạnh trong sản xuất, kinh doanh và cuộc sống.